Ресиверы 10 бар
В модельном ряду оборудования для подготовки и хранения сжатого воздуха, выпускаемом Бежецким заводом «АСО», воздухосборники расчетным давлением пневмопотока 10 атмосфер – аппараты, востребованные в сфере услуг, строительства, автопрома и других отраслей. Среди малых и средних, а также микропредприятий распространено оснащение в виде пневмоинструментов для выполнения разных задач.
Ресиверы становятся неотъемлемой частью поршневых компрессоров, а в случае применения винтовых пневмостанций аппарат обычно является емкостью для хранения энергоресурса.
Применение воздухосборника
В основном ресиверы на 10 бар используются для накапливания и хранения энергоносителя. Особенно это касается емкостей значительного объема (500, 900 литров). Устройства способны стать источником энергоресурса в моменты сбоя в работе пневмоголовки. Особенно это важно, когда выполняются задачи непрерывного режима исполнения. Также сосуд может стать источником сжатого воздуха при отключенном пневмоагрегате.
Аппараты применяются для выравнивания давления пневмопотока перед подачей потребителю. Это могут быть емкости любого объема, и чаще это зависит от энергопотребления пневмоинструмента, перед которым и устанавливают ресивер. Необходимость в выравнивании давления – требование, предъявляемое при наличии высокоточного оборудования, работающего от энергии сжатого воздуха.
Если требования к качеству пневмопотока повышенные и предусматривают показатель предельной влажности или концентрации масла, то ресивер может стать оборудованием для снижения концентрации водных и масляных производных, растворенных в пневмопотоке до аэрозольного состояния. Конденсация водно-масляных капель при поступлении в воздухосборник – процесс, позволяющий осушить пневмопоток по пути к потребителю.
Ресивер поможет оптимизировать работу пневмоагрегата. Особенно, если речь идет о поршневом компрессоре без регулятора производительности по разбору энергоносителя из сети. Благодаря наличию энергоресурса в сосуде, который и обеспечивает потребности пневмоинструмента при паузах в работе двигателя компрессорной установки, снижается количество перезапусков оборудования. Это и позволяет продлить срок эксплуатационной пригодности пневмоагрегата, а также увеличить период времени между ППР.
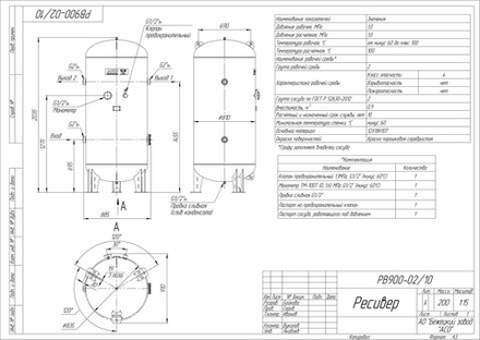
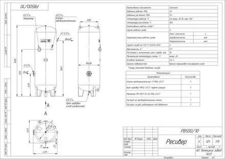
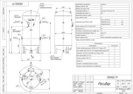
Модели ресиверов на 10 бар
Среди позиций, размещенных в каталоге Бежецкого завода «АСО», имеются модели:
- с вертикальной и горизонтальной ориентацией сосуда;
- объемом на 110, 230, 250, 430, 500 и 900 литров (под заказ изготавливаются ресиверы от 10 до 100 литров);
- функционирующие в условиях мороза до -20 (а некоторые и до -60 градусов) и обычные аппараты для применения в нормальном температурном режиме (от +5 до +45 градусов).
Все представленные устройства выполнены в соответствии с климатическим стандартом УХЛ 4.2 и могут использоваться как в закрытом помещении, так и на открытых площадках.
Габаритные размеры настолько компактны (особенно у вертикальных моделей), что оборудование не занимает много места даже в помещении небольшой кубатуры.
Особенности эксплуатации и обслуживания
Каждый ресивер рассчитан на предельное давление, составляющее 14 атмосфер. Этого вполне хватает для реагирования на показания манометра, свидетельствующие о превышении рабочего норматива. Предохранительная арматура, в состав которой входят обычно манометр и предохранительный клапан, а в некоторых моделях и реле давления, позволяет сбросить воздух при снижении разбора энергоносителя или отключить пневмоагрегат.
Для отвода конденсата в большинстве моделей ресиверов предусмотрено сливное отверстие на днище «колбы». Также можно выбрать устройства с автоматическим отводом конденсата посредством влагоудалителя.
Для обслуживания ресиверов 10 бар необходим допуск к сосудам, функционирующим под давлением. В нашей компании специалисты имеют такой допуск, быстро и качественно выполняют любые операции с воздухосборниками – от монтажа до ремонта.
На нашем сайте вы можете заказать и купить ресивер 10 бар по ценам производителя. Мы являемся официальным представителем Бежецкого завода «АСО» и предлагаем выгодные условия сотрудничества.
По всем появившимся вопросам обращайтесь к компетентным специалистам компании «Бежецкие компрессоры», связаться с которыми можно, написав на электронную почту mail@b-compressor.ru или по телефонам:
8 (800) 350 02 64 – звонок бесплатный по РФ
+7 (495) 107 02 64 – для звонков из Москвы
